
Technický
kroužek

Náš vytrubkový kanál je zde

To takhle projíždím v jeden středeční podvečer kolem nádraží Hradec
Králové - Slezské předměstí a vidím to hemžení na kolejích. Tak tedy šup
na perón a točit. Video je na našem vytrubkovém kanálu po kliknutí na
obrázek níže.

V Technickém kroužku jsme před časem navrhli žákovskou stavebnici
dvoupásmových reproboxů 40 VA/8 ohmů a mladé slečny ze SPŠ, SOŠ a SOU
Hradec Králové se v předmětu Praxe daly dnes chutě do práce a již si
zhotovené korpusy odnášejí domů. Osadily také součastkami moduly
síťového zdroje 14 V pro zesilovač a zahájily montáž vlastnoručně
zhotovených modulů audio zesilovače 2 x 10 W na kuchyňské prkénko...
Video z výstavy For Model 2026 Olomouc a návštěva v tamějším Depozitáři
Českých Drah

Exkurze v Uherském Hradišti 21. 3. 2026

Nejen technikou živ jest člověk. V sobotu 14. 3. 2026 jsme žili Prahou.
Jejími ulicemi a pak chutě do Galerie hlavního města Prahy a Kunsthalle.

Psali o nás, konkrétně o Muzejních kufříkách, jež jsme pro výuku hrou
přivedli na svět.

Autorky článku: DAŘÍČKOVÁ, Denisa, JIROUTOVÁ, Jana a ŠEVČÍKOVÁ,
Kristýna. 2025. Analogové didaktické prostředky v muzejní edukaci.
Kultura, umění a výchova, 13(1). ISSN 2336-1824. Dostupné z:
https://www.kuv.upol.cz
Děkujeme.
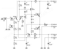
To si takhle po ránu pájím okem páječky... Další z připravovaných
stavebnicí napájecího zdroje, zde dva exempláře pro výstupní
stejnosměrné napětí až 45 V.

Jedna z připravovaných žákovských stavebnicí napájecího zdroje, zde dva
exempláře pro souměrný napájecí zdroj pro zesilovače...

Modelové kolejiště železničních modelářů v Pečkách ze dne 7. 3. 2026 na
našem vytrubkovém kanálu

Železniční nádraží v Pečkách při návštěvě tamějšího klubového kolejiště
železničních modelářů, 7. 3. 2026, na našem vytrubkovém kanálu

Železniční modeláři ve Žďáru na Sázavou na videu z prázdnin 2025 na
našem vytrubkovém kanálu

Připravujeme další žákovskou stavebnici konstrukční elektroniky -
zesilovač Tipamp 223, 2 x 25 W
Připravujeme další žákovskou stavebnici konstrukční
elektroniky - nestabilizovaný zdroj až 200 W pro tranzistorové
zesilovače

Připravujeme další žákovskou stavebnici konstrukční elektroniky -
stereofonní (dual mono) tranzistorový zesilovač BDamp 077, 2 x 20 W

Připravujeme další žákovskou stavebnici konstrukční elektroniky -
stereofonní (dualmono) tranzistorový zesilovač Tipamp 077, 2 x 15 W

Do připravovaného výukového muzea jsme opravili / zrenovovali další z
přístrojů Tesla, tentokrát zesilovač AZS 223. Reportáž slovem i obrazem
zde přinášíme.

Modelová železnice Technického kroužku je stále doplňována. Stav k pátku
třináctého zde.

Hrajeme si každou zimu. Je dobrou příležitostí i k ověřování možností
modelové železnice.

A jsou naše! Třípásmové reproboxy po tatínkovi pána z Obrataně. Vyráběl
si je kolem roku 1983. Osazení Tesla ARN 6608, ARZ 4608, ARV 3608.
Dětské prstíky jim daly zabrat a kupodivu, jen jeden ARZ 4608 měl
spálené vinutí.

A od téhož pána z Obrataně jsme si opravili legendární zesilovač
Transiwatt 140S z HiFi klubu Elektronika Praha. Ještě o tom vznikne
článek.

A když porušíme tok času, tak zde ještě plně funkční Transiwatt 140S v
původním stavu od slečny B. z Prahy. Přístroj je po prarodičích.

Proč kamkoliv jezdit za zimními radovánkami, když zimní olympijský
stadion máme v Hradci Králové na městském záhumenku!

A je náš: Legendární kotoučový magnetofon Tesla B116, funkční, jako
nový.

A jsou naše: Reproboxy Tesla ARS1014, Zesilovač Transiwatt 077 Pionýr a
gramofon Tesla NC470, vše funkční jako v takřka novém stavu.

Železniční modeláři Technického kroužku již mají slušný základ pro svoji
činnost, a to v seznamu ještě není vše:

Na otázku, z čeho toto vše, t.j. přístroje, stavebnice,
vystřihovánky, součástky a díly, plošné spoje, expediční vozidlo,
dopravu, skladování, web a jeho provoz, platíme je
odpověď prostá - z mého učitelského platu.
Dosud jsme nepřijali žádné dotační ani jiné peníze. Pouze vyřazené
elektronické součástky nebo přístroje od soukromých podporovatelů. Proto
díky všem, kteří nám nadále fandíte.
Z návštěvy Planety Hlinsko...
Nezapomeňte podpořit královéhradecké železniční modeláře ...

11. 9. 2025 - U příležitosti Dne otevřených dveří 11/2025 na SPŠ
přichází na svět další ze žákovských elektronických stavebnicí pro
začátečníky v konstrukční elektronice, tak výtečné součásti teorie
elektrotechniky - Transistor Breakdown Flasher. Brzy více.

31. 10. 2025 - K přibližně dvaceti párům reproboxů v učebně bylo potřeba
zkompletovat dar od našeho podporovatele z Lysé nad Labem. I tak to
stálo tři dny práce.

To nemůžeme předem vědět, jaké intelektuální potřeby budou mít členové a
lektoři Technického kroužku, a tak jsme v prvním dnu letních prázdnin
doplňovali knihovnu Technického kroužku ...

Školní rok 1981/1982 - tehdy jsem si poprvé vyzkoušel počítač, který
něco vykonal, rozhodl, napsal sám. Měl jméno hodné agenta a do našich
životů vpadl. ZX81. Do té doby jen programy pro papírový počítač z
časopisu ABC nebo jen se dívat na sálové monstrum. A tak, v upomínku na
tehdejší IT idylu, kdy jsme propadali programování a konstruování
doplňků a o prameniště našeho dopaminu se tehdy nebylo proč strachovat,
pořídili jsme dnes do Technického kroužku a pro školní
demonstrace (nutno připojit k vedení, ale nic proti vedení)
tento retro kousek, ZX Spectrum. Tak tedy, dejme si PAUSE, GOTO či
RUN...
Český NiCd článek 1,2 V / 4000 mAh po 47 letech od své výroby, dosud
nepoužitý - na procesorové nabíječce ukazuje 92 % své původní
kapacity!

Za zvukem této lokomotivy šel bych světa kraj. Bardotka
751.149-6 na hlavním nádraží v Pardubicích. Sotva jsem stačil tasit
mobil. Video se zvukem na našem vytrubkovém kanálu.

Kdy lze začít s konstrukční elektronikou? Kdykoli mezi 9 a 99 lety.

V té Červené Vodě ale mají pěknou základní školu!

Ohlédnutí do minulosti. Takto dříve vypadaly konstrukční návody. K tomu
nezapomenutelně voněla babiččina káva a maminčin čaj.
Žákovská stavebnice stabilizovaného zdroje pro moduly s nesouměrným i
souměrným napájením od 5V do 24 V, s odběrem až 2 A. Ověřeno m.j. i se
zesilovači, včetně jejich vintage sourozenců.
V klubovně Technického kroužku a na jejích "rýsovacích PC" se často
líhnou žákovské stavebnice elektronických modulů, a zde i reproboxů.
Foto ze Dne otevřených dveří na SPŠ, SOŠ a SOU Hradec Králové
Sedmý a poslední pár reproboxů ze série 2024 - s širokopásmovým 130 mm
reproduktorem 10 VA / 4 ohmy, s basreflexem. Pro výuku, porovnání,
inspiraci.
Další přírůstek do rodiny zesilovačů pro ukázku konstrukčních možností a
čisté hudební reprodukce - zesilovač 2 x 10 W s TDA7265
A jsou naše! Tři CD přehrávače Tesla. Do Muzea Technického kroužku, do
učebny na SPŠ i do klubovny Technického kroužku. Děkujeme, Oťasi!

Potřetí kuchyňské
prkénko jako místo plného doznání - prkénkový zesilovač 2x15 W s TDA7265
pro výuku, experimenty, ukázku komponent, inspiraci


Do šestice párů,
žákovská stavebnice reproboxů s širokopásmovým reproduktorem 100 mm s
papírovou membránou, 15 VA/ 8 ohmů v provedení basreflexovém, zase podle
Hrubiána

Podruhé kuchyňské prkénko
jako místo plného doznání - prkénkový zesilovač 2 x 15 W s
LM1876 pro výuku, experimenty, ukázku komponent a kvalitní reprodukce

Do pětice párů,
žákovská stavebnice reproboxů s širokopásmovým reproduktorem 100 mm, 15
VA / 4 ohmy v provedení basreflexovém, opět podle Hrubiána, aby hladce
vidno
Pár reproboxů pro
přenášení, výuku, školní párty, ozvučení akcí v Technickém kroužku, s
třípásmovými reproduktory 70/110 VA, podle Hrubiána, před povrchovou
úpravou
Žákovská
stavebnice dvoupásmového reproboxu 30/45 VA s reproduktorem 160 mm / 8
ohmů, uzavřeného i bassreflexového, s terminály pro biwiring, biamping,
školní experimenty s pasivními a aktivními audio filtry a zesilovači,
opět podle Hrubiána

Žákovská
stavebnice dvoupásmového reproboxu 20/35 VA s reproduktorem 130 mm a
impedancí 6 až 8 ohmů ve verzi podle Hrubiána
K dosud postaveným
i budoucím zesilovačům připravujeme sady žákovských reproboxů, jež budou
dostupné i jako stavebnice. Zde ukázka se dvěma širokopásmovými
reproduktory 100 mm a přepínáním impedance 2/4/8 ohmů.
A den na to ukázka verze podle Hrubiána.
Kuchyňské prkénko
jako místo plného doznání - prkénkový zesilovač 2 x 10 W / 12 V s
TDA2005 vše přiznává a tím učí a inspiruje

Nelze nekomunikovat", jak pravil Paul Watzlawick a dodáváme, že nelze
nešifrovat. Muzejní kufřík na téma Kryptografie I. poodhaluje, oč tu
běží. K výuce na ZŠ, SŠ, na táborech i v DDM

Drátový telegraf A6 s LED žárovkou, s pérovými svorkami k propojení s
druhým telegrafem a s telegrafním klíčem z materiálu FR4. Ukázka funkce
zde.
Dvojice drátových telegrafů s ukázkou funkce
zde.
Drátový telegraf
A5 s připojeným muzeálním telegrafním klíčem pro výuku telegrafie na
školách, táborech, v DDM. Ukázka funkce
zde.
Muzejní kufříky či
truhly na
různá témata budou již brzy pootevřeny...

Desky plošných
spojů pro další ze žákovských stavebnicí právě dorazily...

Dřevěné tabulky s
Morseovou abecedou pro připravovanou výuku telefonie, telegrafie a
šifrování v Technickém kroužku, ve školách, na táborech, v domech dětí,
v projektové výuce...

Dvojice
telegrafních klíčů pro připravovanou výuku telefonie, telegrafie a
šifrování v Technickém kroužku, ve školách, na táborech, v domech dětí,
v projektové výuce...

Nové stavebnice
pro Technický kroužek i školu připraveny. Stabilizovaný zdroj 12 V/2 A
(DPS 240-520) pro zesilovače s TDA2005, nestabilizovaný zdroj souměrného
napětí od +-5 V do +-24 V (DPS 240-523 dual) a jeho nesouměrná verze
(DPS 240-523) až pro 36 V, obojí pro proudy až 8 A díky šířce spojů a
tlouštce mědi 70 mikrometrů.

Legendární
elektrická souprava EM 475 zavítala do Hradce Králové a zase to
vytroubí naše
video.

Připravujeme
stavebnici desetitónového laditelného generátoru pro školu a Technický
kroužek. Zde je ukázka funkce.

Děkujeme našemu
příznivci za nepoužité součástky Tesla pro výuku a do Muzea Technického
kroužku: sluchátkové vložky, operační zesilovače a legendární LED LQ100

Prázdniny se
blíží...
Nové přírůstky do fonotéky Technického kroužku

Nové
přírůstky do knihovny Technického kroužku

Připravujeme
žákovskou stavebnici stereo zesilovače s LM1876

Z ruční
dřevodílny pro kuchyňskou, čajomilskou a rytmickou sekci...

Za vůní
historie, pražců a cestovatelských dálek - Prostějov hlavní nádraží. Cestou zpět krásný Plecháč 242 217-8
(lokomotiva uprostřed) a dvousystémové Eso 362 001-0, obě krasavice na
nádraží v Olomouci

A jsou naše! Nový přírůstek do klubovny a Muzea Technického kroužku.
Reproboxy RS-238 z produkce Elektronika Praha

Dokument Muzea Technického kroužku - Magnetická páska troubíme na našem
kanálu Youtube
Když Vás laskavý člověk obdaruje a tím Vám nasadí do hlavy včely, nemusí
zůstat jen u přemýšlení o nich. A tak zkusíte dar zúročit jako
skromný začátek včelaření.

Nové cisterny pro
měřítko H0 k potěšení, hře i poučení při obsluze modelového kolejiště
Technického kroužku

Fotografie z
návštěvy Technického muzea v Brně a záznam hry tamějšího orchestrionu
I Technický
kroužek navštívil výstavu Ampér 2024 v Brně - reportáž a poděkování
podporovatelům Fischer elektronik, VUT Brno -
Fakulta elektrotechniky a komunikačních
technologií a SPŠ, SOŠ a SOU Hradec Králové
již brzy
Železnice zdrojem
estetického potěšení

Připravujeme
stavebnici stabilizovaného zdroje pro audio zesilovač 2 x 10 W a máme
další reproboxy pro experimenty se žákovskými zesilovači

Navštivte Škoda
Muzeum v Mladé Boleslavi, zde krátký fotopříběh pdf

Rearchivace 24x36
digitalizací? Tak nejprve náhledy. Ty se jeví přijatelné - Martin
Kratochvíl na Jazz Goes to Town 2002 a Milan Lasica s Juliem Satinským v
Klicperově divadle v r. 2000

MyElBox - sada pro
výuku elektroniky v Technickém kroužku a na SPŠ - ukázka a video z výuky
Krmítko pro ptáky
se sedlovou střechou...

... najdete na webu
https://www.tahacky.cz
PF 2024

25. 10. 2023 -
Technický kroužek na vlnách Českého rozhlasu Hradec Králové v živém
vysílání pořadu Host ve studiu, moderuje Jakub Schmidt, 8.40 hod.:

25. 10. 2023 - Dvě
nové krasavice do kolejiště Technického kroužku - Bardotka H0 od Roco a
555 TT od Tillig, obě v barvách Českých drah ...

... a k lokomotivám po šesti nákladních vozech v měřítku TT a H0 od
Tillig a PIKO





9. 8. 2023 - Daří se nám za rozumné peníze doplňovat kabinet Technického
kroužku

Červen 2023 -
Doplňujeme vybavení Technického kroužku o přístroje pro měření součástek.
I s přístroji nostalgického vzezření si budeme vědět v Technickém
kroužku a na SPŠ rady.
Rádi jsme přijali pozvání na 3. 6. 2023 k prezentační účasti na Dni s
Českým rozhlasem Hradec Králové v Kempu Stříbrný rybník v Hradci
Králové.
Květen 2023 - A jsou naše! Reproboxy RS 638 výrobce Elektronika Praha máme jedny pro
klubovnu Technického kroužku a druhé pro učebnu na SPŠ.

Chcete spatřit na vlastní oči knihu "Prvních
deset let československého rozhlasu", autorky A. J. Patzakové, vydanou v
Praze v roce 1935 nákladem Radiojournalu?
Ukázky z knihy:
Pak navštivte u příležitosti 100 let rozhlasového vysílání výstavu v
Muzeu východních Čech. Technický kroužek tam knihu s potěšením zapůjčil.

Doporučujeme také třídílnou rozhlasovou dramatizaci
CHYCENI V ÉTERU v režii Petra Vodičky na vlnách Českého Rozhlasu
Dvojky.
-----
Únor 2023 - Připravujeme nové žákovské stavebnice zesilovače 2 x 10 W
s TDA2005 a HiFi zesilovače 2 x 15 W s TDA7264



Knihovna Technického kroužku

Leden 2023 -
Vdechujeme druhý život přístrojům, které mohou přispět k poznávání
audiotechniky, kvalitního poslechu hudby, a umu našich předků

Startujeme k planetě Merkur ...

... venku i v klubovně ...
Když se krása snoubí s technikou a skutečnost s dětskými sny...

Pořizujeme vybavení klubových
digitálních a analogových kolejišť v měřítku H0, TT a N - lokomotivy, vozy a koleje.

Jsou nám blízké projekty, kde to hlavní nejsou peníze. Proto se
Technický kroužek prvním příspěvkem rád připojuje do
, brzy více na stránce železnice
Expediční vůz Technického
kroužku se na své první cestě vybarvil ... viz také
tisková zpráva Technického kroužku

V
nově zakoupeném sedmimístném VW Caddy budou moci děti uskutečnit
expedice za přírodovědným, technickým a řemeslným vzděláváním - tábory,
radioamatérská vysílání, lovy beze zbraní (foto, audio) a nebo naopak -
expediční vůz přijede s programy Technického kroužku za dětmi do škol.
Motto: Nejlepší sociální síť je osobní setkávání!

Technický kroužek pro děti 8-14 let shání
pozemek ke stavbě klubovny nebo klubovnu nebo pronájem klubovny,
ideálně v HK,
podrobnosti
zde
Technický koužek shání vozidlo
Praga V3S skříň nebo autobus Karosa k
adaptaci na mobilní klubovnu/učebnu/dílnu,
podrobnosti
zde

Za nabídky na
michal.soucek(zavinacek)technickykrouzek.cz děkujeme.

Na vlnách Českého rozhlasu
Technický kroužek pořídil a pro výuku na SPŠ a do své klubovny péčí
zaopatřil "cooltovní" třípásmové reproboxy
Orion
HS 280
Magnetický princip záznamu a léta osmdesátá a devadesátá připomínají dva
oživené a plně funkční walkmany,
Uher
Tramp 4 a
Aiwa GX45 Limited
Mezinárodní setkání radioamatérů Holice 2022 bylo i tentokrát pro
Technický kroužek přínosem, a to reproboxy
Tesla
ARS908 a čtyřiceti, většinou nehranými,
LP
deskami stereo i mono
Pro TT kolejiště pořízena
parní
lokomotiva BR 413 ČSD
Milujeme kvalitní letité přístroje a mezi ně patří i takřka 40 let staré a plně
funkční
hodinky PRIM
Do rodiny tvůrčích nástrojů Macrohard Office přibyl
kufříkový psací stroj Consul. Ta krása přístroje a doživotní licence!
Technický kroužek rozšiřuje svůj arzenál výukových pomůcek o
volmetr
a ampérmetr 30 cm a
výukovou sadu MEZ Elektronik, které jsme obdrželi od spřízněnce
technického vzdělávání
Technický kroužek obnovuje
pravidelné odebírání časopisu ABC
Technický kroužek má unikátní knihovnu, ve které
nechybí kompletní ročníky časopisů ABC

Právě dokončeno
Restaurování gramofonu
Tesla NC450
a výměna vložky Tesla VM2102 za Ortofon OM10 a
nastavení svislé síly na hrot
Pořízen
Macrohard Office verze Consul pro galerii přístrojů Technického kroužku.
Máme již dva.
Restaurování reproboxů
Panasonic
SB-PM9 do klubovny Technického kroužku a pro výuku na SPŠ
Restaurování gramofonu
Tesla NC
160 do klubovny Technického kroužku a pro výuku
na SPŠ
Deska plošného spoje pro žákovskou stavebnici
BikeFlasher
Zakoupeny železniční modely TT pro kolejiště mobilní a stálé klubovny


Dokončeno -
historie
(přehled minulých aktivit)
Elektronika (kroužek elektroniky) pro žáky ZŠ (8 až 15 let) - pájení,
sestavování elektronických stavebnic a obvodů, oživování, měření, montáž,
experimenty.
Elektroakustika
- nahrávání, úprava a reprodukce zvuků a hlasů, zhotovování reproboxů
Železniční a papírové
modelářství - modelová železnice TT, papírové modely budov, vozidel a techniky
3D modelování na počítači
(CAD) - modelování dílů a sestav na počítači, 3D tisk
Fotografování, grafika,
DTP - digitální a klasická fotografie v ateliéru i v plenéru, úprava, základy
DTP
Švadlenky a kuchtíci
- základy používání šicího stroje a oděvního střihu, moderní a tradiční vaření
Zde je
program. První
setkání proběhla v roce
2014 a v roce
2015.
Zde je plakát ze školního roku
2019/2020 o a
zde na rok
2023/2024.
Novinky: Od IX/2020 máme řidičský průkaz na
autobus (Technického kroužku), nově i profesní průkaz. Technický kroužek získal 20 licencí programu
Solidworks 2020 pro 3D počítačové modelování, za což děkujeme
společnostem Solidvision a Dassault Systemes. Ve spolupráci jsme vydali
Testovací gramofonovou desku.
Připravujeme:
Mobilní klubovnu (dvouosý přívěs nebo autobus), Letní tábor elektroniky,
Návod k Testovací gramofonové desce, Pexeso s fyzikálními a elektrotechnickými
zákony.
Další etikety na kořenky pro naše maminky, babičky,
prababičky dcery, vnučky, pravnučky, učitelky, praučitelky, žačky, pražačky - i ony si potřebují odpočinout od
vaření a přijít na jiné myšlenky - zde příležitost. Plná verze
ke stažení na www.tahacky.cz
Právě otištěno:
Domácí
výroba LED osvětlení akvária, (pdf, 17 MB), čtěte na straně 41 až 43 v
52. čísle časopisu e-akvárium
Testovací gramofonová
deska, zde je
Tisková zpráva

... návod k Testovací gramofonové desce brzy zde
Poptáváme
nepoužívané, vyřazené nebo staré přístroje a součástky pro Technický kroužek a
výuku fyziky a techniky, stálou a mobilní klubovnu v HK.
Fandíte nám? Můžete nás podpořit také zakoupením
a nošením
dámčičí (projmuté) nebo
pánčičí (neprojmuté) nebo
bílé
(neprojmuté) slušivé a příjemné polokošile ze 100 % bavlny, s logem Technického
kroužku na zádech a na prsou.
Na Letním táboře elektroniky nebo u vody se mohou hodit
bílá
trička ze 100 % bavlny, s logem Technického kroužku na zádech a na prsou,
doplněné vyšívanou kšiltovkou
(zatím jen ilustrační foto). Před špatným počasím ochrání
větrovka.
Jakmile bude k dispozici
sada propisovací tužky a
mikrotužky ø
0,5 mm, reálné foto zveřejníme.
Kontakt:
Technický kroužek
Michal Souček
tel.: 602 836 202
e-mail:
michal.soucek(zavinacek)technickykrouzek.cz
QRcode:

FACEBOOK
TWITTER
TIKTOK
Logo Technického kroužku je zapsanou
ochrannou známkou.
Zde je vyjádřeno
poděkování za
podporu Technického kroužku.
Poslední aktualizace 21. 5. 2026
Statistika
přístupů (chybí období III-XII/2025)
© Mgr. Michal Souček, 2014-2025,
https://www.technickykrouzek.cz